全國服務熱線:400-7362-588
產品與解決方案
GGQ系列(高壓交流電機)高壓固態軟起動器
- 詳細描述
- 原理及特性
- 型號定義及選型說明
- 一次方案
GGQ系列軟起動裝置是采用了最新的電機控制理論和起動性能仿真技術及先進軟件設計技術,結合先進的器件制造工藝及光纖傳輸技術組成的智能化工業控制系統。其控制中心部分采用雙CPU工作內嵌DSP引擎的DSC控制器及單片機,具有快速中斷處理能力及管理高速計算活動的數字信號處理器功能,實現了全數字自動控制,使軟起動器具有很強的抗干擾能力和高可靠性,不會產生無故障停機現象。根據不同負載特征可任意設定起動參數,以達到最佳起動效果。使用該產品后能有效降低電動機起動電流,避免對電網的沖擊;可減少相關配套電器的配電容量,節約增容投資。同時減少電動機及負載設備在起動時的機械沖擊,延長了電動機及相關設備的使用壽命。完善可靠的保護功能,可確保電動機及相關生產設備在起動及運行過程中的安全使用。
應用于電壓等級15KV及以下、功率20000KW及以下的高壓籠式異步電動機或同步電動機,實現平滑軟起動及軟停車的控制。廣泛應用于建材﹑冶金﹑礦山﹑石油化工﹑電力﹑造紙﹑水利﹑造船﹑等行業。

-
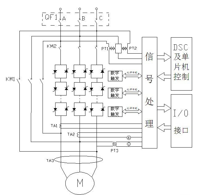
軟起動裝置的組成是由高壓回路和低壓控制回路及信號采樣部分組成,高壓回路是由傍路真空接觸器KM1,起動真空接觸器KM2,,晶閘管組件及其RC保護、電阻均壓、過壓保護器等輔助電路組,其中KM1的作用是當軟起動裝置起動完成后自動合上它,使電動機轉運行時把主回路旁路短接。KM2起隔離作用,當軟起動裝置完成起動后它自動斷開,避免晶閘管等電子器件受到主回路中的高電壓沖擊。電壓互感器PT1PT2PT3,為控制回路提供電壓同步信號,電壓顯示提供測量電壓信號。電流互感器TA1TA2提供電流測量信號。晶閘管組件是主回路開通和關斷的主器件,它的導通與關斷是由光纖輸入信號通過數字觸發板控制,而另外一組光纖將晶閘管組件工作壯態信號輸出到控制系統用于監控。RC保護、電阻均壓、過壓保護器等都是起保護晶閘管的作用。低壓控制回路是由DSP及單片機組成中央控制單元、信號處理單元、輸出輸入接口單元、繼電器輸出控制等單元組成。中央控制單元主要是控制整個系統中的每個單元部分,然后根據每個單元的功能作用進行處理。信號采樣及測量回路是由四路電壓輸入信號,三路電流輸入信號,一路紅外線測溫信號組成,其主要作用是為控制中心提供輸入輸出信號源。
高壓固態軟起動器主電路一次控制方案及電氣組成框圖

GGQ系列軟起動裝置主要性能特征有:
產品安裝使用簡單免維護:軟起動裝置是一個完整的電動機起動控制及運行保護系統,在安裝時只需連接電源線和到電動機電纜線,提供交流220V控制電源即可投入起動運行。因電子器件的固有特性其裝置在使用過程中基本是免維護。
裝置達到現場安裝調試時(在加高壓起動電動機前),可以使用三相低壓(380V)電源對整個裝置系統進行模擬試驗及電氣測試。
裝置具有故障事件自動檢測和斷電記憶功能,便于故障的分析和排除。主要功能單元模塊的控制信號輸入和輸出都裝有很多發光二管 作為指示標識,可通過人眼觀察整個起動及運行過程中功能單元模塊是否工作正常,也可通過指示標識判斷故障部位,給裝置的使用及維護帶來很多便利。
根據不同負載狀況,裝置可任意設定和修改多項起動參數,減少起動損耗,以最小的起動電流產生最佳起動轉矩,平穩起動電機及拖動負載。當軟起動裝置控制系統出現故障時,可采用直起功能利用柜內高壓真空接觸器直接起動電動機,以保證生產的正常進行。
裝置具有獨特的晶閘管紅外線測溫功能,它可以安全準確測量溫度的線性變化過程,保證了裝置正常起動和運行的需要。裝置系統狀態及功能參數顯示采用大中文屏實時顯示,為了節省電能及屏的壽命,電路中設計了屏保功能,按任意按鍵或有起動信號輸入即可激活背光,易于參數觀察和修改。
裝置具有多項保護和監控功能:晶閘管短路開路保護,晶閘管過溫保護,起動超時保護,門未關好保護,過壓、欠壓保護,缺相保護,相電流不平衡保護,起動過流保護,運行過載保護,堵轉等保護功能。裝置在運行時主要是對電動機起監控功能作用。
-
-
分享





